湖北省第三人民医院阳逻院区医疗街电梯井封堵项目论证公示
发布时间:2025-10-22 来源:后勤保卫部
一、项目背景
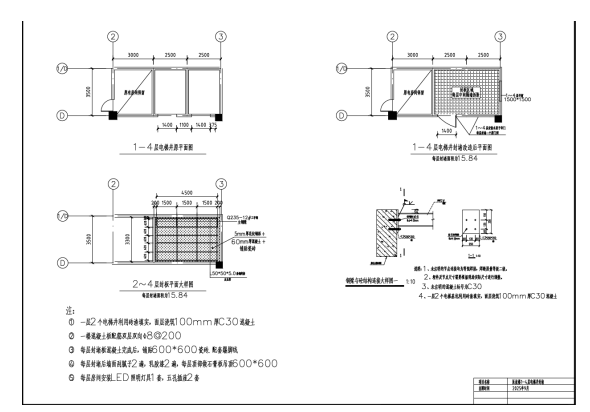
湖北省第三人民医院阳逻院区医技楼是区域医疗诊断、检查核心建筑,其安全运营与空间高效利用直接关系到医疗服务质量与医患人员安全。该楼原设计3台乘客电梯,2016年安装完毕后仅东侧1台污物电梯常用,其余2台闲置近10年。闲置电梯井占用规划空间,且已向特检机构完成报废备案,准备永久性拆除。为消除隐患、盘活空间计划对电梯井进行结构加固与永久性封堵。
二、设计要求
(一)原图纸2-3轴交D-1/D轴处,拆除1—4层电梯井道内的原有电梯设备。
(二)拆除每层电梯井道之间的隔墙,共4面砖墙(一层隔墙高4.8米,二至三层高3.9米,四层高4.7米)。
(三)原电梯井内深度1.6米的电梯基坑,现拟回填并夯实,表面进行硬化处理。
(四)将每层双电梯井道打通,改造为办公用途。结构采用钢梁与钢板承重,面层浇筑60mm厚混凝土,地面铺贴防滑地砖。封板后每层合并面积为15.84㎡。
(五)为满足采光需求,每层靠外墙位置增设窗户,共4扇(1—4层,每层1扇),并做好洞口周边结构加固。
(六)办公区域封板后,墙面进行粉刷刮白处理,顶面安装吊顶,并配套布置照明灯具及办公用插座。
(七)原每层电梯厅设两扇电梯门,现改为封闭其中一扇,另一扇更换为木质门。
(八)对电梯厅门窗周边的装饰层进行修复,确保与现有装修状况协调一致。
三、资质要求
项目施工单位需具备特种工程(结构补强)专业承包资质,同时具有独立安全生产许可证;具有独立承担民事责任的能力,具有良好的商业信誉无任何不良违法记录;具备完整的施工组织及设计、质量控制管理体系、安全生产保障、文明施工保障措施、应急保障措施等。
四、报名方式及时间地点
(一)报名方式
有意向参与报价的公司须在报名时间内将资料装订成册并注明所报名项目名称和序号并交至报名地点。逾期视为放弃报名,资料不接受邮寄。
(二)报名时间
2025年10月22日至2025年10月23日08:00—12:00,12:00-17:30(北京时间)
(三)联系方式
阳逻院区后勤保障部(阳逻内科楼负1楼朱老师)
联系电话:13971479366
(四)询价时间及地点
2025年10月24日,硚口院区综合楼二楼会议室(具体时间待定)


扫描二维码